Zestaw zawiera wszystkie pasy do kosiarki Husqvarna Rider 112C - pasy pasują do modeli z roku 2021 i nowszych. Jest to łącznie cztery pasy.
Zestaw przeznaczony jest wyłącznie dla modeli z roku 2021 lub nowszych. Możesz również zweryfikować, czy ten zestaw pasuje, sprawdzając numer produktu, który powinien być 9671784-02.
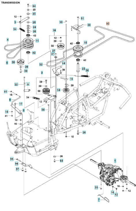
W skład zestawu wchodzą następujące pasy napędowe:
- 5895328-01 - Numer 32 na obrazku, montowany między silnikiem a napędem
- 5895314-01 - Numer 50 na obrazku, montowany między pośrednim kołem pasowym a agregatem tnącym
- 5895617-01 - Numer 4 na obrazku, montowany przy przekładni
- 5895631-01 - Numer 5 na obrazku, montowany między silnikiem a skrzynią biegów

Sweden - SEK
Finland - EU2
Germany - EUR
Italy - EUR
Spain - EUR
Poland - PLN
France - EUR
Denmark - DKK






