Are you in the right place?
Select country
Finland - EU2
Sweden - SEK
Italy - EUR
Spain - EUR
Denmark - DKK
Poland - PLN
Germany - EUR
France - EURAustria - EUR
Belgium - EUR
Bulgaria - EUR
Cyprus - EUR
Czech Republic - EUR
Estonia - EUR
Greece - EUR
Hungary - EUR
UK - GBP
Ireland - EUR
Latvia - EUR
Lithuania - EUR
Luxembourg - EUR
Malta - EUR
Netherlands - EUR
Norway - NOK
Portugal - EUR
Romania - EUR
- Rest of World - EUR
Slovakia - EUR
Slovenia - EUR
Switzerland - EUR
- Opis produktu
-
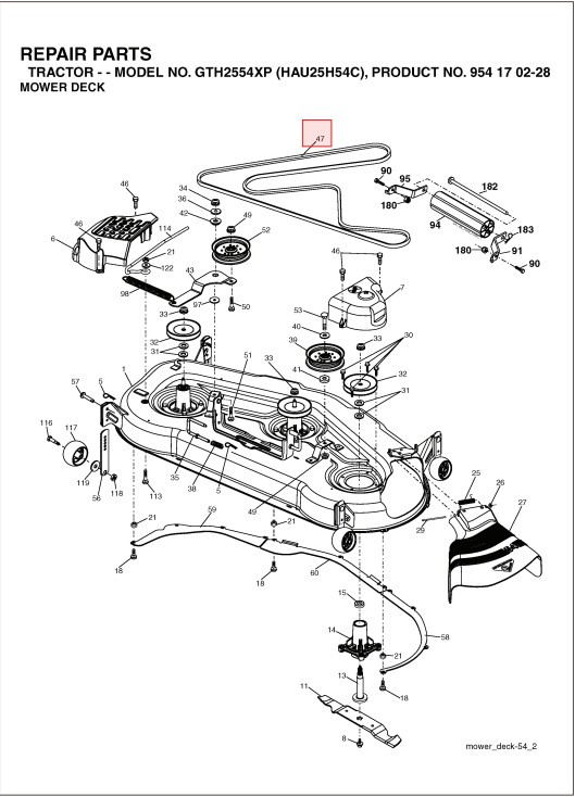
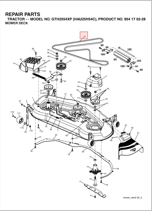
Pasek 5844519-01, 5844519-01
Część zamienna Husqvarna
Pasuje m.in. do:
Husqvarna GTH 2554 XP (954568427, GTH2554XPA, GTH2554XPB, HAU25H54A, HAU25H54B, HAU25H54C)
Replacing: 5321912-73
Chcesz wyszukiwać wśród schematów części i części zamiennych Husqvarna? Skorzystaj z naszego katalogu części. Kliknij tutaj aby przejść do katalogu części. Pamiętaj, aby zawsze sprawdzić poprawny numer części, korzystając ze schematu części dla swojej maszyny. - Specyfikacje
-
Numer katalogowy producenta: 584 45 19-01 , 584451901 - Akta
Historia cen
:

Finland - EU2
Sweden - SEK
Italy - EUR
Spain - EUR
Denmark - DKK
Poland - PLN
Germany - EUR
France - EUR


