Are you in the right place?
Select country
France - EUR
Spain - EUR
Germany - EUR
Finland - EU2
Sweden - SEK
Italy - EUR
Poland - PLN
Denmark - DKKAustria - EUR
Belgium - EUR
Bulgaria - EUR
Cyprus - EUR
Czech Republic - EUR
Estonia - EUR
Greece - EUR
Hungary - EUR
UK - GBP
Ireland - EUR
Latvia - EUR
Lithuania - EUR
Luxembourg - EUR
Malta - EUR
Netherlands - EUR
Norway - NOK
Portugal - EUR
Romania - EUR
- Rest of World - EUR
Slovakia - EUR
Slovenia - EUR
Switzerland - EUR
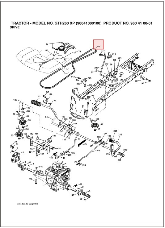
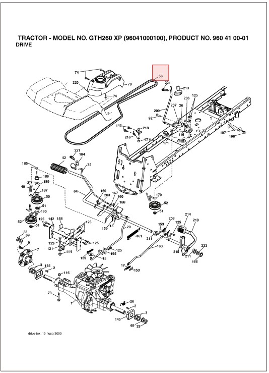
Pasek napędu jazdy Husqvarna GTH260, GTH2648, LTH120, LTH145
- Opis produktu
-
Pasek, 5321658-13
Część zamienna Husqvarna
Pasuje m.in. do:
Husqvarna GTH 260 XP (96041000100, 96041000200)
Husqvarna GTH 2648 (960430030, 96043003000)
Husqvarna GTH26K54 (960430031, 96043003100)
Husqvarna LTH 120 (954140003, 954140003C, HCLTH120A)
Husqvarna LTH 145 (954140006C)
Replacing: 5321618-50
Chcesz wyszukiwać wśród schematów części i części zamiennych Husqvarna? Skorzystaj z naszego katalogu części. Kliknij tutaj aby przejść do katalogu części. Pamiętaj, aby zawsze sprawdzić poprawny numer części, korzystając ze schematu części dla swojej maszyny. - Specyfikacje
-
- Akta
Historia cen
:

France - EUR
Spain - EUR
Germany - EUR
Finland - EU2
Sweden - SEK
Italy - EUR
Poland - PLN
Denmark - DKK


